Swing Cylinder Threaded Body Type Double Acting

Swing Cylinder Threaded Body type Double Acting

IMPORTANT

  • Actual clamping takes place only when the Cylinder has completed its 90 swing stroke.
  • Clamping allowed only in clamping stroke not in swing stroke.
  • Do not exceed max. flow rate. If flow rates are exceeded, swing cylinder indexing mechanism may be permanently damaged.

DESCRIPTION

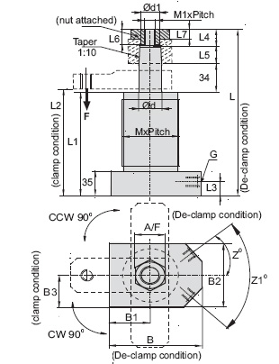
These Hydraulic Clamping elements are pull type cylinder, wherein a part of the total stroke is used to swing the piston (stroke to swing). The shorter part is available as clamping stroke. These swing clamps are having a special feature during the rotation (swing, it covers 20mm stroke and thereafter travels vertically for 10mm clamping stroke. The total stroke is 30mm.

NOTE

  • Refer general design notes before selection & use.
  • CW Model dimensions are same asCCWmodel dimensions.
  • Refer accessories sheet page No. X1 & X2 for Clamp arm and ring nut details.
  • Given forces are for the standard arm lever. Pressure and flow should be reduced if clamp arm length is increased (Refer Graph sheet No. G1).
  • Models with overload protection are available as special. Dimensions are different. Contact Quicloc.
  • Ordering specification for seal kit. Add prefix "SK" to the model Number.

FEATURES

  • Min./ Max. Operating Pressure 10/250 bar.
  • Large Clamping range.
  • Total stroke 30 mm. Swing stroke 20 mm. Vertical stroke 10 mm.
  • Arm swing will be 90 o ± 2o
  • 360o adjustable arm location.

IMPORTANT

  • If the system flow rate exceeds, use one way flow control valve in the upstream hydraulic lines.
  • Length of Clamping arm, weight of Clamping arm, max. Permissible flow rate and working pressure are all important. Refer graphs for arm length and working pressure.
  • Length of Clamping arm, weight of Clamping arm, max. Permissible flow rate and working pressure are all important. Refer graphs for arm length and working pressure.

Swing Cylinder Threaded Body type Double Acting Swing Cylinder Threaded Body type Double Acting

98111-82148