Swing Cylinder Threaded Body Type Double Acting Single Acting

IMPORTANT

  • Actual clamping takes place only when the Cylinder has completed its 90 swing stroke.
  • Clamping allowed only in clamping stroke not in swing stroke.
  • Do not exceed max. flow rate. If flow rates are exceeded, swing cylinder indexing mechanism may be permanently damaged.

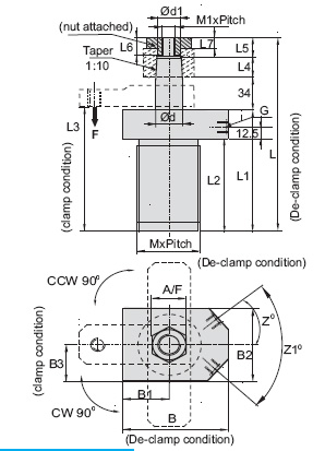
DESCRIPTION

These Hydraulic Clamping elements are pull type cylinder, wherein a part of the total stroke is used to swing the piston (stroke to swing). The shorter part is available as clamping stroke. These swing clamps are having a special feature during the rotation (swing, it covers 20mm stroke and thereafter travels vertically for 10mm clamping stroke. The total stroke is 30mm.

NOTE

  • Refer general design notes before selection & use.
  • CW Model dimensions are same asCCWmodel dimensions.
  • Refer accessories sheet page No. X1 & X2 for Clamp arm and ring nut details.
  • Given forces are for the standard arm lever. Pressure and flow should be reduced if clamp arm length is increased (Refer Graph sheet No. G1).
  • Models with overload protection are available as special. Dimensions are different. Contact Quicloc.
  • Ordering specification for seal kit. Add prefix "SK" to the model Number.

FEATURES

  • Min./ Max. Operating Pressure 10/250 bar.
  • Large Clamping range.
  • Total stroke 30 mm. Swing stroke 20 mm. Vertical stroke 10 mm.
  • Arm swing will be 90 o ± 2o
  • 360o adjustable arm location.

IMPORTANT

  • If the system flow rate exceeds, use one way flow control valve in the upstream hydraulic lines.
  • Length of Clamping arm, weight of Clamping arm, max. Permissible flow rate and working pressure are all important. Refer graphs for arm length and working pressure.
  • Keep weight of Clamping arm to a minimum.

98111-82148