Swing Cylinder Double Acting Top Bottom Mounting

Swing Cylinder Double Acting Top Bottom Mounting

IMPORTANT

  • Actual clamping takes place only when the Cylinder has completed its 90o swing stroke.
  • Clamping allowed only in clamping stroke not in swing stroke .
  • Do not exceed max. flow rate. If flow rates are exceeded, swing cylinder indexing mechanism may be permanently damaged.

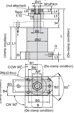
DESCRIPTION : These Hydraulic Clamping elements are pull type swing cylinders, wherein a part of the total stroke is used to swing the arm (stroke to swing). The shorter part is available as clamping stroke. These swing clamps are having a special feature during the rotation (swing), it covers 20mm stroke and thereafter it travels vertically for 10mm clamping stroke. The total stroke is 30mm.

NOTE

  • Refer general design notes before selection &use.
  • CWModel dimensions are same asCCWmodel dimensions.
  • Refer accessories sheet page No. X2 for clamp arm details.
  • Given forces are for the standard arm lever. Pressure and flow
  • should be reduced if clamp arm length is increased (Refer Graph sheet No. G1).
  • Ordering specification for seal kit. Add prefix "SK" to the model Number.

FEATURES

  • Min./Max. Operating Pressure 10/250 bar.
  • Large clamping range.
  • Total stroke 30 mm. Swing stroke 20 mm. Vertical stroke 10 mm.
  • Arm swing will be 90 +2
  • 360 adjustable arm location.

Important

  • If the system flow rate exceeds, use one way flow control valve in the upstream hydraulic lines.
  • Length of Clamping arm, weight of Clamping arm, max. Permissible flow rate and working pressure are all important. Refer graphs for arm length and working pressure.
  • Keep weight of Clamping arm to a minimum.

Swing Clamp Bottom Flange Mounting Double Acting

IMPORTANT

  • Actual clamping takes place only when the Cylinder has completed its 90o swing stroke.
  • Clamping allowed only in clamping stroke not in swing stroke .
  • Do not exceed max. flow rate. If flow rates are exceeded, swing cylinder indexing mechanism may be permanently damaged.

FEATURES

  • Min./ Max. Operating Pressure 10/250 bar.
  • Large clamping range.
  • Total stroke 30 mm. Swing stroke 20 mm. Vertical stroke 10 mm
  • Arm swing will be 90 +2
  • 360 adjustable arm location.

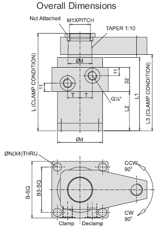
DESCRIPTION

These Hydraulic Clamping elements are pull type cylinder, wherein a part of the total stroke is used to swing the piston (stroke to swing). The shorter part is available as clamping stroke. These swing clamps are having a special feature during the rotation (swing), it covers 20mm stroke and thereafter travels vertically for 10mm clamping stroke. The total stroke is 30mm.

NOTE

  • Refer general design notes before selection & use.
  • CW Model dimensions are same as CCW model dimensions.
  • Refer accessories sheet page No. X2 for clamp arm details.
  • Given forces are for the standard arm lever. Pressure & flow should be reduced if clamp arm length is increased (Refer Graph sheet No. G1).
  • Models with overload protection are available as special. Dimensions are different. Contact Quicloc.
  • Ordering specification for seal kit. Add prefix "SK" to the model Number.

Important

  • If the system flow rate exceeds, use one way flow control valve in the upstream hydraulic lines.
  • Length of Clamping arm, weight of Clamping arm, max. Permissible flow rate and working pressure are all important. Refer graphs for arm length and working pressure.
  • Keep weight of Clamping arm to a minimum.

Top Flange Mounting Swing Clamp Double Acting

Important

  • Actual clamping takes place only when the Cylinder has completed its 90o swing stroke.
  • Clamping allowed only in clamping stroke not in swing stroke .
  • Do not exceed max. flow rate. If flow rates are exceeded, swing cylinder indexing mechanism may be permanently damaged.

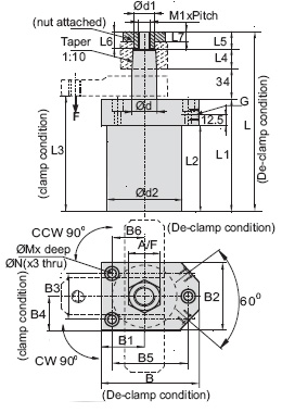
DESCRIPTION

These Hydraulic Clamping elements are pull type swing cylinder, wherein a part of the total stroke is used to swing the arm (stroke to swing). The shorter part is available as clamping stroke. These swing clamps are having a special feature during the rotation (swing), it covers 10mm stroke and thereafter travels vertically for 14mm clamping stroke. The total stroke is 24mm.

FEATURES

  • Min./ Max. Operating Pressure 20/180 bar.
  • Large clamping range.
  • Double acting rates.
  • Very compact cylinder design.
  • 360o adjustable arm location
  • Arm swing will be 90o +0.2o
  • Total stoke 24mm. Swing stoke 10mm. Clamp stoke 14mm.

Important

  • If the system flow rate exceeds, use one way flow control valve in the up stream hydraulic lines.
  • Length of Clamping arm, weight of Clamping arm, max. Permissible flow rate and working pressure are all important. Refer graphs for arm length and working pressure.
  • Keep weight of Clamping arm to a minimum.

Bottom Flange Mounting Swing Clamp Double Acting

Important

  • Actual clamping takes place when the Cylinder has completed its 90o swing stroke.
  • Clamping allowed only in clamping stroke not in swing stroke .
  • Do not exceed max. flow rate. If flow rates are exceeded, swing cylinder indexing mechanism may be permanently damaged.

DESCRIPTION

These Hydraulic Clamping elements are pull type swing cylinder, wherein a part of the total stroke is used to swing the arm (stroke to swing). The shorter part is available as clamping stroke. These swing clamps are having a special feature during the rotation (swing), it covers 10mm stroke and thereafter travels vertically for 14mm clamping stroke. The total stroke is 24mm.

FEATURES

  • Min./ Max. Operating Pressure 20/180 bar.
  • Large clamping range.
  • Double acting rates.
  • Very compact cylinder design.
  • 360o adjustable arm location
  • Arm swing will be 90o +0.2o
  • Total stoke 24mm. Swing stoke 10mm. Clamp stoke 14mm.

NOTE

  • Refer general design notes before selection & use.
  • CW Model dimensions are same as CCW model dimensions.
  • Refer accessories sheet page No. X2 for clamp arm details.
  • Given forces are for the standard arm lever. Pressure & flow should be reduced if clamp arm length is increased (Refer Graph sheet No. G1).
  • Models with overload protection are available as special. Dimensions are different. Contact Quicloc.
  • Ordering specification for seal kit. Add prefix "SK" to the model Number.

Important

  • If the system flow rate exceeds, use one way flow control valve in the up stream hydraulic lines.
  • Length of Clamping arm, weight of Clamping arm, max. Permissible flow rate and working pressure are all important. Refer graphs for arm length and working pressure.
  • Keep weight of Clamping arm to a minimum.

Swing Clamp Top Flange Mounting Double Acting

SPECIFICATION :

  • Type : DoubleActing Hydraulic Cylinder.
  • Bore Dia = 25 mm, Rod dia = 20mm
  • Swing Stroke = 20mm; Vertical Stroke = 10mm
  • Max. Pressure 200 bar for arm length 50 mm at clamp force 1.75 kN
  • Max. Flow rate lpm-0.15
  • Oil volume cc=5.3
  • Medium : Hydraulic Oil (servo system HLP46/HLP68)

IMPORTANT :

  • Actual clamping takes place only when the Cylinder has completed its 90o swing stroke
  • Clamping allowed only in clamping stroke not in swing stroke
  • Do not exceed max. flow rate. If flow rates are exceeded, swing cylinder indexing mechanism may be permanently damaged.

FEATURES

  • Min/Max. operating pressure 20/150 bar.
  • Large clamping range.
  • Total stroke 30mm. Swing stroke 20 mm. Vertical stroke 10 mm.
  • Arm swing will be 90o +0.2o
  • 360 adjustable arm location

DESCRIPTION

These Hydraulic Clamping elements are pull type swing cylinders, wherein a part of the total stroke is used to swing the arm (stroke to swing). The shorter part is available as clamping stroke. These swing clamps are having a special feature during the rotation (swing), it covers 20 mm stroke and thereafter it travels vertically for 10 mm clamping stroke. The total stroke is 30 mm.

NOTE

  • CW Model dimensions are same as CCW model dimensions.
  • Refer general design notes before selection & use.
  • Refer accessories sheet page no. X2 for clamp arm details.
  • Given forces are for the standard arm lever. Pressure and flow should be reduced if clamp arm length is increased (Refer Graph sheet no. G1 and graph 1)
  • Ordering specification for seal kit. Add prefix "SK" to the model Number

IMPORTANT :

  • If the system flow rate exceeds, use one way flow control valve in the upstream hydraulic lines
  • Length of Clamping arm, weight of Clamping arm, max. Permissible flow rate and working pressure are all important. Refer graphs for arm length and working pressure.
  • Keep weight of clamping arm to a minimum.

98111-82148