Sequence Valve

Sequence Valve

DESCRIPTION :

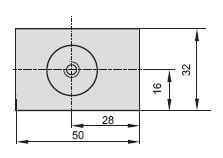
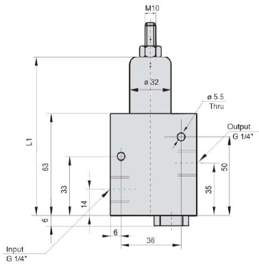
Sequence valve is used in power work holding circuit for pressure dependent sequence control. The compact size allows mounting directly to the clamping fixture, requiring only one pressure line from the power unit to the fixture for actuating cylinders.

NOTE

  • Refer general design notes before selection & use
  • Ordering specification for seal kit. Add prefix "SK" to the model Number.

FEATURES

  • Operating sequence pressure 10 to 80 bar V11101.
  • 60 to 150 bar V11102.
  • Max. Input Pressure 150 bar.
  • Can be adjusted to required sequential pressure and finally pressure in the circuit will attain same system pressure.

98111-82148