Pallet Disconnector Block

Pallet Disconnector Block

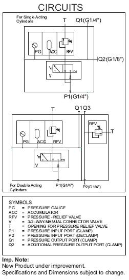
DESCRIPTION

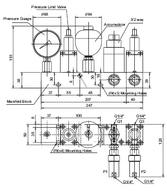
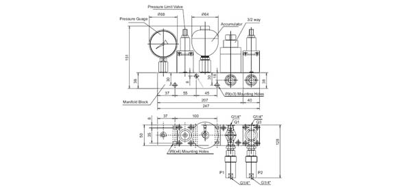
Pallet disconnector block is used whenever it is desired to disconnect the fixture on the pallet from the hydraulic power pack. This is used onCNCMachining Centers, Pallet Changers etc. The unit is a self contained device, an accumulator holds on to clamping pressure for the machining duration, a relief valve relieves the oil pressure should the pressure raise due to temperature changes, and this device enables manual disconnection and reconnection from the power source. The unit consists of two disconnector couplings, a pressure disconnector valve, an accumulator, a relief valve on line, and a pressure gauge. Addiional relief valve on return line limits pressure rise and facilitates easy engagement of connector Hoses. The accumulator supplies about 10-12 cc of oil to the system.

OPERATION

The pallet disconnector block is mounted on the pallet on which the work piece is hydraulically clamped and declamped. Following operational sequence takes Place.

  • Connect the power pack hoses to pallet disconnector block via quick connector fittings.
  • Engage pressure to fixture via manual connector valve.
  • Now declamp / clamp can be executed on power pack direction controls. First declamp work piece, unload work piece from fixture, reload fresh work piece, and clamp the work piece check clamping pressure. Set connector valve to clamp.
  • After work piece is clamped deenergizes clamp solenoid on power pack.
  • Disconnect the hoses.
  • Now the fixture is ready to load on to the machine.

Pallet Disconnector Block Pallet Disconnector Block

Important - Do not operate manual connector valve to open when power pack is disconnected at this position pressure will lock on to quick connector check valves by the pressure of the accumulator. In this situation it will not be possible to reconnect the hoses. If this situation takes place the pressure can be released by loosening of the Quick connector couplings on the block.

Pallet Disconnector Block

98111-82148