Low Block Hydraulic Cylinder Single Acting Double Acting

Low Block Hydraulic Cylinder Single Acting Double Acting

IMPORTANT

  • Best selection for side clamping for strap free applications.

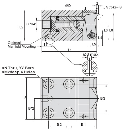
DESCRIPTION : These Low block cylinders are suitable for clamping work pieces from the sides where clamping is not possible from top. Hydraulically operated piston pushes the pivoted lever against the work piece. By positioning the pivot lever it is possible to have a downward force in addition to horizontal push force to clamp the work piece firmly on to workrest. This prevents lifting of component.

NOTE

  • Refer general design notes before selection & use.
  • For Manifold mounting, plug threaded port.
  • Ordering specification for seal kit. Add prefix "SK" to the model Number

FEATURES

  • Min./ Max. Operating Pressure 10/250 bar.
  • The vertical force is approx. 30% of nominal clamping force.
  • Compact cylinder design.
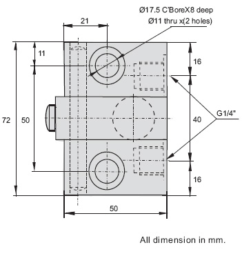
  • Cylinder with Manifold mounting is available as optional. O-ring will be supplied.

Important

Keep back pressure in the system and in the line to minimum for smooth working of cylinder.

Manifold Mounting Hydraulic Cylinder (Single Acting)

IMPORTANT

  • Best selection for side clamping for strap free applications.
  • DoubleActing.
  • Maintenance free.
  • Positive Clamping

DESCRIPTION : This type of Low block cylinders are suitable for clamping work pieces from the sides where clamping is not possible from top. Hydraulically operated piston pushes the pivoted lever against the work piece. By positioning the pivot lever it is possible to have vertical push force to clamp the work piece firmly on to workrest.

NOTE

  • Refer general design notes before selection & use.
  • Ordering specification for seal kit. Add prefix "SK" to the model Number.

FEATURES

  • Min. / Max. Operating Pressure 10/250 bar.

98111-82148