Hydraulic Support Jack Double Acting

Hydraulic Support Jack Double Acting

Important

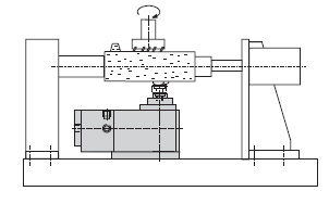
  • Do not apply eccentric Load. Clamping force must be directly over the support point.
  • Plunger retracts during reset and permits sliding of job and easy loading and unloading of job.
  • Plunger does not exert force on the job, while supporting job.
  • Gives positive work support.
  • Ideal for achieving good flatness, surface finish & better control of CP & CPK.

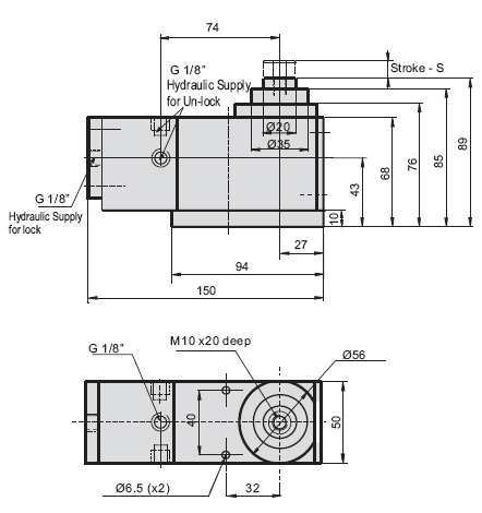
DESCRIPTION

This is hydraulically operated wedge locking type Support Jack, which gives positive support to the plunger and locking on actuation. This can bemounted directly in the fixtures. It is possible to get initial surface contact of work piece within variations of +/- 1.6mm. These job variations are taken care of during positive supporting and locking. As the hydraulic pressure increases the plunger is locked. When the pressure is released, the internal parts breath via vent. The internal thread on the plunger is used for additional work support buttons. The bolt hole to be plugged when not used.

Hydraulic Support Jack Double Acting

FEATURES

  • Min./ Max. Operating Pressure 10/100 bar.
  • Positive Locking.
  • Tapped hole M10 x 20 deep for mounting tip.
  • Max. supporting load 20 kN.
  • Special support jacks can be done to suit Customer’s requirement

NOTE

  • Refer General Design notes before selection & use
  • Ordering specification for seal kit. Add prefix "SK" to the model Number.

Hydraulic Support Jack Double Acting Hydraulic Support Jack Double Acting

98111-82148