Hollow Piston Hydraulic Cylinder Compact Type

Hollow Piston Hydraulic Cylinder Compact Type

IMPORTANT

  • Compact in Design.
  • Ideal for converting Mechanical fixture to Hydraulic.

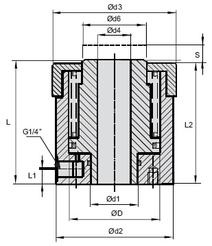
DESCRIPTION

This compact Hollow piston cylinder has a through hole in the body. The piston loads the clamp when pressurized. These are specially used for conversion of manual fixtures into Hydraulic fixtures. These cylinders can be used as both push and pull units. The diameters of their piston bores are fit to take up clamping screws with metric threads. Such cylinder will be universal in service and suitable in particular for later installation into manual clamping fixtures.

NOTE

  • Refer general design notes before selection & use.
  • Spring designed for Piston withdrawl only. Do not overload in withdrawn condition.
  • Ordering specification for seal kit. Add prefix "SK" to the model Number.

FEATURES

  • Min./ Max. Operating Pressure 10/250 bar.
  • Due to its compact dimensions, it can fit in intricate places.

Important

Keep back pressure in the system and in the line to minimum for smooth working of cylinder.

98111-82148