Compact Hydraulic Cylinder Double Acting

Compact Hydraulic Cylinder Double Acting

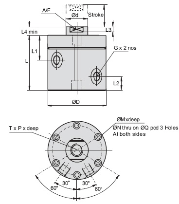
DESCRIPTION

These cylinders are used for work holding fixtures and are very Compact enabling compact design of the fixture.

FEATURES

  • Has internal threaded piston rod.
  • Has compact height.
  • Max. Operating Pressure 150 bar.

Compact Hydraulic Cylinder Double Acting Compact Hydraulic Cylinder Double Acting

NOTE

  • Refer General Design notes before selection & use.
  • Ordering specification for seal kit. Add prefix "SK" to the model Number.

Important

  • Very compact in design.
  • Fits in tightest areas of fixtures.
  • Easy assembly and disassembly.
  • Ensures compact fixture design.
  • Can be used for clamping, locating, ejecting and butting.
  • Can be used for push and pull application.

Compact Hydraulic Cylinder Double Acting

98111-82148